SMBus编程智能电池充电器的设计
个人计算机领域流行用智能电池,这是因为智能电池能提供本个工业标准、高精度气压计(gasgauge)系统。智能电池符合智能电池供电系统(SBS)所定义的元件所有工作性能指标,电池具有跟踪有关电池充电和使用信息的嵌入控制器。通过串行、2线SMBus接口提供信息到系统。可询问电池信息包括剩余容量、总容量、在现有放电速率下时间余、放电电流、终端电压等。由于大多数智能电池在总线中可成为主机,所以电池可控制智能电池充电器使其最佳充电。Linear公司LTC1759智能电池充电器IC设计用于控制这类智能电池。另外,由电池提供的安全信号指示电池是否呈现在系统中和是否有热引起的告警或在其他系统失效时是否电池失效。SBS显著特点是安全、使用容易和兼容性。
SBS规范允许两种类型智能电池充电器(SBC):Level2充电和Level3充电器。Level2充电器(如LTC1759)是SMBus上的从机,响应来自电池的命令控制充电。Level3充电器可以是SMBus上的主机或从机,它可询问电池确定充电信息。SBC与电池化学类型无关。它响应来自电池的命令提供充电电流和充电电压。电池的零电流(或零电压)或终止充电报警形式发出充电终止。假若安全信号指标电池不存在或安全充电电池太热,则充电也将终止。
LTC1759是一款完整的Level2智能电池充电器。它能在SMBus接口上用接收和译码命令自动充电智能电池。LT1759遵从智能电池充电器规范的全部安全要求,包括3分钟定时器(保护SMBus通信换效和唤醒模式期间锂离子电池过充电)。硬件可编程电注和电压限制提供另外等级保护,这种保护由失效软件不可能改变。
LTC1759管理智能电池充电系统的所有复杂事物。它具有SBC依从性、安全、输出电压精确、SMBus加速泵、墙式适配器电流限制等特性。它把智能充电器的恒流(CC)、恒压(CV)、电流模式开关电池充电器电路融合于一身。
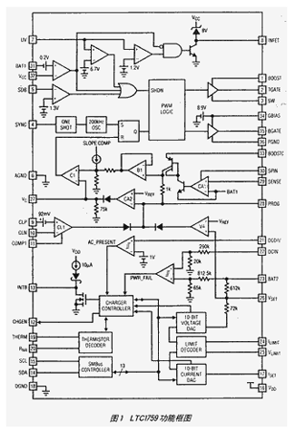
电路描述
LTC1759包括:一个同步、电流模式、PWM降压开关控制器,一个充电器控制器,两个控制充电器参量的10位DAC,一个热敏电阻安全信号译码器,硬件电压和电流限制译码器和一个SMBus控制器单元(见图1)。

智能电池或系统控制器通过SMBus接口命令对恒汉和恒压限值进行编程。降压变压器用N-沟MOSFET做为开关,使成本降低、高效率工作。热敏电阻安全检测电路检测电池存在或确定电池温度是否允许安全充电。
当通过SMBus传输接收恒流值时,它被RILIMIT定标和限制到低于编程值。此修正值编程电流DAC,设置DC充电电流。电流DAC是10位△∑DAC,当希望充电电流时,它从PROG引脚吸收电流(见图2)。放大器PROG引脚吸收电流(见图2)。放大器CAI感测RSENSE上的压降并使此电压跨接到RS2(200Ω);流经RS2的电流通过电流镜像做为PROG引脚上的上接电流。流经RS2电流与来自PROG引脚电流相匹配由CA2实现恒流工作。由于DAC输出是一串脉冲,所以需要平滑电容器对脉冲滤波使其变为DC。

当经SMBus传输接收恒压值时,该值由RVLIMIT电阻器定标、调节以消除补偿和限定到低于可编程值。此修值编程电压DAC,设置DC充电电压。电压DAC激励内部电压分压网络的低端。电压分压器顶端通过BAT2引脚直接连接到电池输出。电压误差放大器VA对VSET引脚上的分压电池电压与内部精密基准电压比较。VA放大器输出配置成可以激励PROG引脚的电流源。PROG引脚是电流和电压反馈环路的电流求合结点。当电池电压超过编程电压时,VA环路周期挪用电流反馈环路的控制,迫使充电电流降到维持编程电压所需的电平。由于△∑DAC输出是一串脉冲,所以需要一个平滑网络滤波脉冲使其变为VSET引脚的DC。电容器C5和C4构成电容分压器,为来自电池的反馈电压提供滤波,同时滤波DAC脉冲。
LTC1759需要两个电源。PWM电路在墙式适配器电源断开时直接通过Vcc引脚运行,逻辑功能运行与VDD电源无关。PWM电路在去掉AC电源时能进入40μA微功率停机模式,使逻辑和SMBus工作能保持运行,这是Intel ACPI标准所需要的。这种分离电源也使逻辑和SMBus能根据系统设计为员的需要运行在3V和5V.为使LTC1759逻辑功耗最小,逻辑电流由时钟电路激励,时钟电路当无动作时停机并苏醒服务于SMBus动作或产生中断。一旦请求服务,LTC1759便返回到休眠。
当去掉AC电源或去掉电池时,通过CHGEN-SDB引脚组合发生PWM停机。LTC1759通过DCDIV通脚检测AC损耗。阈值通常设置恰好低于墙式适配的最小有效电压。AC电源状态通过SMBus可由系统读出。UV引脚只用于置PWM电路进入微功率停机状态,它直接连到墙式适配器电源。
在设计中电感器选择不是关键,这是因为充电器的环路响应在意地设置很慢。实际的低限值为15μH左右,低值电感器将产生较高的纹波电流,在输出需要较低ESR电容器。
输出电容的选择对ESR(等效串联电阻)不是很苛刻,但必须处理来自充电器的所有纹波电流。不用考虑电池的纹波电流,因为充电器有效阻抗远远大于电感器的ESR。很多电池组具有内部串联保护MOSFET,这提高了电池ESR。在多电池配置中也有与电池串联的功率路由MOSFET,进一步增加了电池ESR。从充电器观点,输入电容器ESR可高达1Ω,使电容器选择范围宽。当采用电阻或电子负载时,可能会发生某种不稳定性。增加300Ω电阻器与PROG引脚电容器串联或在输出置10μF电容器能改善稳定性。在输出不需要用陶瓷电容器,因为在很轻负载电流声频下开关变换器变得不连接和在下降周期开始时电容器会造成噪声,应该采用钽电容。输入电容选择由充电器输入纹波电流(一般为最大输出电流的1/2)决定。对于4A充电器建议用22μF(50V)陶瓷电容器,它一般可处理2A纹波电流。
从电池到墙式适配器的电流保护由P-沟MOSFET(Q1)提供。电压比较器监控跨接在MOSFET上的电压而且当墙式适配降到电池电压之上小于200mV时关闭MOSFET。尽管价廉的二极管可用于替代以MOSFET,但MOSFET只增加100mV到0.4V低压差工作模式而不产生额外的热量。在没有电池起动时间,采用MOSFET附加二极管使墙式适配器电源能达到Vcc引脚并为PWM控制电路供电。
主要的补偿是d PROG引脚上进行;然而DAC脉冲滤波要求确定电容器有效值。脉冲纹波电流必须小平200mV或环路起伏(在轻载充电电流时出现的环路不稳定性)。Vc引脚电容器的主要功能是提供自启动支持。必须有一个1.5K电阻器与Vc引脚电容器串联以能恰当停机。
从热观点考虑,输出电压在电池温度充电范围内保持大约0.5%精度。精度越高,电流充电容量就越大,而更重要是在电池中与电压基充电终端电路有关的问题就会更少。
关于SMBus加速泵,AC适配电流限制,安全信号感测,安全电压和电流范围设计等问题在此就不一一详述。
结语
LTC1759遵从智能电池系统组织发表的智能电池充电器标准。充电器控制器也遵从Intel的ACP标准,甚至当没有AC墙式适配器电源时也能响应系统指令。该充电器提供最宽的电流和电压工作范围。LTC1759具有价廉、高性能和安全的特点,比其他智能电池充电器优越。
