智能水泵控制器的设计与应用
黄海1 任杰2 陆伟青2
(1.中建三局集团有限公司建筑设计院 武汉430064;2.安科瑞电气股份有限公司 上海 201801)
摘要:针对传统水泵控制方式存在的问题,设计一种多回路智能水泵控制器,具有现场手动控制、后台远程控制和也为自动控制等多种控制方式。
0 引言
在生产自动化场合和楼宇中,存在着大量的风机、水泵,出于成本考虑,普遍使用按钮、热继电器等作为控制保护元件。热继电器本身存在设计缺陷,重复性差、可靠性低,存在保护隐患,且传统的水泵控制方式存在控制线路复杂、功能单一、后期维护困难等缺陷。因此传统水泵控制明显无法满足信息化和智能化的功能要求。随着微控制器的发展,测量保护技术的成熟,也改变着传统水泵的应用方式,从按钮指示灯到目前的一体式智能控制器的转变。
1 智能水泵控制器的功能
智能控制器需要的功能有:电压、电流、液位(开关或模拟量)的测量功能;过/欠压、相序、过载、欠载(干转)、断相等故障的保护功能;手动/液位的控制功能;水泵运行故障和液位异常的报警功能;水泵运行信息的管理功能;与上位机系统的通讯功能。
1.1 主控芯片
MCU芯片采用Freescale公司的Coldfire-V1(具有硬件乘法累加MAC单元)架构内核的32位处理器MCF51EM256,时钟频率最高可达50.33MHz,内置256K的Flash、16K的RAM、3路定时器、3路SCI通讯接口、内置RTC时钟、I2C、SPI、KBI接口等多种资源,片内集成带可编程延迟模块PDB和4个16位SAR型ADC,PDB可以直接控制触发ADC的采样,完成了高精度的电压、电流的交流采样和液位测量,测量精度可以达到0.5级,具有极高的性价比。
1.2 电压、电流、液位信号采集电路
电压采集电路如图1所示。三相电压Ua、Ub、Uc采用电阻降压的方式,给采样信号加入抬高电压VREF,使交流信号的幅值大于零,便于AD采样。在电路的输出端,MCU芯片的AD输入端加入限压二极管,限制输入电压小于(钳位电压)3.3V,能对MCU芯片的AD采样通道起到很好的保护作用。

图1 电压采集电路
液位信号普遍采集电路如图2所示,当液位传感器为两线制的4-20mA接口时,要求我们的控制器输出一个24VDC电源,安装电阻R22、R45。当液位传感器为三线制的4-20mA接口时,传感器供电由外部开关电源提供,安装电阻R44、R45。当液位传感器为0-10V接口时,安装电阻R44(0Ω)、R45。同理,在液位采集通道处也应加入保护电路。

图2 液位信号采集电路
2 传统水泵的控制方式
在传统的水泵的控制回路中,通常主回路由断路器,接触器和热继电器组成;控制回路一般由指示灯、仪表、控制按钮、转换开关、热继电器、时间继电器等组成。传统的水泵控制方式内部接线复杂,给检修人员调试设备与查找错误接线带来难度,且功能一般比较单一,智能化改造无法接入系统,增加了后续设备投入。
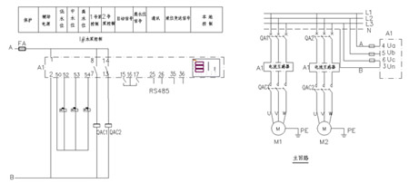
智能水泵控制器,集成了水泵控制需要的电气元件,包括电压电流显示、多功能保护继电器、手/自动转换开关、启/停按钮、水位和水泵状态指示等于一体,面柜式安装。在给/排水自动模式下,两泵交替互备,根据水位不同情况,控制方式支持中水位一台水泵运行,高(低)水位两台水泵同时运行。电流保护支持独立开/关设置,支持备用泵只报警不脱扣,满足地下车库、消防栓等消防场所应用。智能型水泵控制器的二次接线图如图3所示。相比于传统方式,其具有接线简单,功能强大,后期升级方便等优点。

图3 智能水泵控制器一用一备全压起动液位控制器控制电路图
4 性能比较
智能型控制器可有效解决传统水泵控制的安全可靠度低、控制箱体尺寸大、能耗高、智能化低、升级难等问题。传统控制箱和智能水泵控制箱体的性能对比如表1所示。
- 1
- 2
- 总2页
http:www.cps800.com/news/55914.htm


