常用的滤波电路有无源滤波和有源滤波两大类。电容滤波为无源滤波,本文详细介绍了电容滤波的工作原理以及其作用。
滤波电容的作用简单讲是使滤波后输出的电压为稳定的直流电压,其工作原理是整流电压高于电容电压时电容充电,当整流电压低于电容电压时电容放电,在充放电的过程中,使输出电压基本稳定。
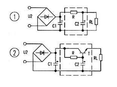
滤波电容容量大,因此一般采用电解电容,在接线时要注意电解电容的正、负极。电容滤波电路利用电容的充、放电作用,使输出电压趋于平滑。
★当u2为正半周并且数值大于电容两端电压uC时,二极管D1和D3管导通,D2和D4管截止,电流一路流经负载电阻RL,另一路对电容C充电。当uC>u2,导致D1和D3管反向偏置而截止,电容通过负载电阻R放电,uC按指数规律缓慢下降。

★当u2为负半周幅值变化到恰好大于uC时,D2和D4因加正向电压变为导通状态,u2再次对C充电,uC上升到u2的峰值后又开始下降;下降到一定数值时D2和D4变为截止,C对RL放电,uC按指数规律下降;放电到一定数值时D1和D3变为导通,重复上述过程。
RL、C对充放电的影响:
电容充电时间常数为rDC,因为二极管的rD很小,所以充电时间常数小,充电速度快;RLC为放电时间常数,因为RL较大,放电时间常数远大于充电时间常数,因此,滤波效果取决于放电时间常数。电容C愈大,负载电阻RL愈大,滤波后输出电压愈平滑,并且其平均值愈大,如图所示。

整流电路是将交流电变成直流电的一种电路,但其输出的直流电的脉动成分较大,而一般电子设备所需直流电源的脉动系数要求小于0.01.故整流输出的电压必须采取一定的措施.尽量降低输出电压中的脉动成分,同时要尽量保存输出电压中的直流成分,使输出电压接近于较理想的直流电,这样的电路就是直流电源中的滤波电路。
常用的滤波电路有无源滤波和有源滤波两大类。无源滤波的主要形式有电容滤波、电感滤波和复式滤波(包括倒L型、 LC滤波、LCπ型滤波和RCπ型滤等)有源滤波的主要形式是有源RC滤波,也被称作电子滤波器。
直流电中的脉动成分的大小用脉动系数来表示,此值越大,则滤波器的滤波效果越差。
- 1
- 2
- 总2页
http:www.cps800.com/news/57766.htm

