支持HART协议的两线制回路供电信号调理模块
			2014/6/16 14:31:52  
			广州金升阳科技有限公司  供稿
			
		
      产品特点:
● 输出回路供电
● 支持HART协议通信
● 高精度等级(0.1% F.S.)
● 高隔离(输入、输出两端2KVAC/1mA)
● 小体积:SIP9封装(26*9.5*12.5mm)
● 低温漂:50PPM/℃
● 工作温度范围:-40℃~85℃
● 高ESD防护等级(裸机 ±4KV)

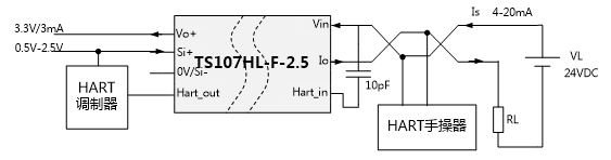
金升阳推出一款支持HART通信协议的两线制回路供电信号调理模块:TS107HL-F-2.5。
该模块在解决电流信号隔离对供电电源依赖的同时,可以精准地完成4~20mA标准信号的隔离传送,可以跟各种仪表的模拟量输入端口实现完美匹配。除此之外,TS107HL-F-2.5通过将HART信号耦合到模拟信号中,帮助用户实现控制室设备与现场智能仪表之间的通信传输控制。

图1 两线制仪表接口隔离设计
两条传输线节约了现场与控制室的布线成本;高集成的设计简化了客户端应用;PIN9的小体积减少了产品的占板面积,为客户带来更多的设计空间。支持HART协议的两线制回路供电信号调理模块TS107HL-F-2.5可以应用于各类智能仪表中。
来源地址:http://www.mornsun.cn/news/NewDetail.aspx?id=226<
    免责声明:本文仅代表作者个人观点,与电源在线网无关。其原创性以及文中陈述文字和内容未经本站证实,对本文以及其中全部或者部分内容、文字的真实性、完整性、及时性本站不作任何保证或承诺,请读者仅作参考,并请自行核实相关内容。
      
            本文链接:支持HART协议的两线制回路供电信号调 
http:www.cps800.com/news/2014-6/2014616143022.html
           http:www.cps800.com/news/2014-6/2014616143022.html
            文章标签: 金升阳/智能仪表/电源
 
            
            
        
		 
       
 0755-82905460  
			 邮箱
0755-82905460  
			 邮箱  :
 :