浅谈大中功率UPS的输入配电改造(图)
			2005/7/5 11:53:16  
			艾默生网络能源有限公司  供稿
			
		
      
	  摘 要:结合一起大中功率UPS双机并联冗余系统出现故障导致断电事故的案例分析和隐患整改工作,主要介绍了大中功率UPS的输入配电改造的必要性、可行性以及改造中应注意的细节问题。
关键词:UPS;主路输入和旁路输入;隔离要求
一、一起典型案例的发生过程和技术分析
某日某电力机房发出“嗵”的一声响,值班人员立即进行查看,发现该机房功率为130KVA的UPS电源并机冗余供电系统发生故障,供电系统框图如下所示。两台UPS显示屏无显示、输出指示灯熄灭,设备没有运行声音,所有负载设备已经断电停机。进一步检查后发现UPS 2#机Kb(315A)输入空开、接UPS系统交流屏的Kc(400A)配电空开、交流屏上一级的低压配电室Kd(400A)空开及UPS 2#机蓄电池组CB2直流保护空开全部跳闸。

技术人员通过采取应急措施恢复供电后,打开机器的防护外壳,对电路逐一检查,发现其整流器的正负半桥均有一只可控硅击穿,逆变器的正负半桥均有一只IGBT击穿,逆变器的熔断器保险损坏,整流输出直流母排有严重短路打火痕迹。更换损坏部件后,加电试机,设备恢复正常,故障处理结束。
此次故障从设备损坏的表象来看,整流输出直流母排间隔非常小,所带的都是直流高压电,因此,机内积尘引发此处短路、打火,造成主要功率部件烧坏、系统宕机。但是从UPS技术理论上讲,UPS不应该因自身局部故障导致系统供电停止,尤其是并机冗余系统,是目前最科学、最安全、最可靠的供电方案。那么,是什么原因导致系统输出断电呢?
不难看出,UPS 2#机Kb(315A)输入空开、接UPS系统的交流屏的Kc(400A)配电空开、接交流屏的配电室的Kd(400A)空开共三级相继跳闸,尤其是接交流屏的配电室400A开关跳闸是导致并机冗余系统输出断电的直接原因。下面,根据UPS 1#机当时的事件记录作进一步分析。

a.18:08:22:290 NOTICE:OUTPUT AC UNDER VOLTAGE (出现输出交流欠压问题)其原因是因为所并联的UPS 因逆变器短路造成并联点输出电压下降。
b.18:08:22:356 NOTICE:INPUT AC UNDER VOLTAGE(出现输入交流欠压问题)其原因是因为图1-1 400A开关跳闸引起UPS1、2输入交流电压丢失。
c.18:08:22:356 RECTIFIER OFF(整流器关机)原因是整流器因输入无电而关机
d.18:08:22:374 NOTICE:BYPASS AC UNDER VOLTAGE(旁路电压低)原因是UPS1、2发现旁路电压丢失即输入无市电。
根据UPS的工作原理,可以知道当第一条告警情况发生时,因为短路产生严重超载,UPS1#机后备蓄电池组和逆变电路不可以投入工作,系统将无条件向市电旁路切换,但由于图1-1 400A开关已跳开,旁路掉电,系统无法转到旁路,导致断电。
二、改造方案简介
UPS输入一般分为主路输入和旁路输入(旁路输入具体由分自动旁路和手动旁路),在早期UPS工程中,由于未能充分理解UPS的工作原理与市电输入方式的关系,没有对UPS主输入和自动旁路输入作隔离要求,因而两个输入都是由同一个交流配电屏空开引入,机器内部作连接处理,如图1-1 的供电方式。此接法存在严重的“单点故障”隐患,当设备内部短路,产生严重过载,导致主输入空开跳闸,共用同一空开的自动旁路将同时失效,造成负载断电事故。
技术人员已经及时就此进行了配电整改工作,将UPS内部整流输入与自动旁路输入的跳线拆掉,使UPS由单输入变为双输入,即使UPS的送电线路由一路改为二路,分别通过两只空开向UPS整流和自动旁路送电,见图1-2 所示。从而避免整流输入开关故障跳闸后UPS不能转旁路的问题。
为了规范UPS的配电系统,使其更为合理,同时解决UPS内部短路故障后旁路同时失效问题,从而提高系统的安全性,我们认为应对在网运行的所有大中功率UPS实施输入配电改造,包括单机、双机并机、双机串机。
三、具体改造方案介绍
1、单机UPS系统改造方案
UPS单机系统如图3-1所示,标准配置的UPS只有一路电缆输入,其主路输入和旁路输入是并接在一起的:

改造后的接线如图3-2所示,系统改造需多加一路3相输入电缆,作为主路输入,多加一个输入开关,作为主路输入开关,原三相四线输入电缆留作为旁路输入。可以看出,改造后的接线方式切断了主、旁路输入的直接联系,从而大大提高了系统的可靠性。

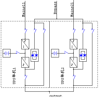
2、并机UPS系统改造方案
UPS并机系统如图3-4所示:两台UPS输入均取自市电电网,因此两台UPS均需要进行改造,每台UPS的改造方式与UPS单机系统相同。
系统改造需系统改造需多加两路3相输入电缆,作为两台UPS主路输入,多加两个输入开关,作为两台UPS的主路输入开关,原两路三相四线输入电缆留作为旁路输入。图3-3 并联UPS接线原理图

3、串联热备份UPS系统改造方案
	
串联热备份UPS系统接线如图3-4所示:主机与从机的主路输入均取自市电电网,但主机旁路输入取自从机的输出。因此主机不需要改造,从机的改造方式与UPS单机系统相同。
系统改造需多加一路3相输入电缆,作为从机主路输入,多加一个输入开关,作为两台UPS的主路输入开关,原三相四线输入电缆及输入开关仍作为旁路输入。考虑到UPS串机系统将来要改造成并机系统,需再多加一组三相输入电缆及输入开关,以做备用。

四、配电改造的实施情况和效果
我公司在各级领导的支持和厂家的密切配合下,所有大中功率UPS配电均按预定方案实施了配电改造。工程涉及UPS系统24个,共计41台UPS,其中25台需进行主、旁路分离改造,另14台为串联热备份系统的主机,本工程提供备用输入回路,作为串机系统改为并机系统后使用。改造所涉及的UPS品牌型号如下:
EXIDE 9305 20K单机系统
EXIDE 9305 20K 1+1串机系统
EXIDE 9305 20K 1+1并机系统
LIEBERT UL33-0300L 1+1并机系统
LIEBERT UL33-0600L 1+1并机系统
雷诺士80KVA单机系统
景龙 20KVA 1+1并机系统
先控20K 1+1并机系统
改造的成功实施,将大大增强网络能源设备的稳定和安全性,对网络配电安全有着深远的意义。
此项工作属于对在网运行设备实施带电改造,安全责任重大,实施难度大,分工界面复杂,而且据了解在业界尚属首次,没有经验可借鉴,艾默生公司承接了此项改造任务后,经过周密勘察、精心设计,出台了科学的实施方案,改造中付出了辛苦劳动,所有改造都是一次成功!
作者:河北移动通信有限责任公司网络部 高健
      关键词:UPS;主路输入和旁路输入;隔离要求
一、一起典型案例的发生过程和技术分析
某日某电力机房发出“嗵”的一声响,值班人员立即进行查看,发现该机房功率为130KVA的UPS电源并机冗余供电系统发生故障,供电系统框图如下所示。两台UPS显示屏无显示、输出指示灯熄灭,设备没有运行声音,所有负载设备已经断电停机。进一步检查后发现UPS 2#机Kb(315A)输入空开、接UPS系统交流屏的Kc(400A)配电空开、交流屏上一级的低压配电室Kd(400A)空开及UPS 2#机蓄电池组CB2直流保护空开全部跳闸。

技术人员通过采取应急措施恢复供电后,打开机器的防护外壳,对电路逐一检查,发现其整流器的正负半桥均有一只可控硅击穿,逆变器的正负半桥均有一只IGBT击穿,逆变器的熔断器保险损坏,整流输出直流母排有严重短路打火痕迹。更换损坏部件后,加电试机,设备恢复正常,故障处理结束。
此次故障从设备损坏的表象来看,整流输出直流母排间隔非常小,所带的都是直流高压电,因此,机内积尘引发此处短路、打火,造成主要功率部件烧坏、系统宕机。但是从UPS技术理论上讲,UPS不应该因自身局部故障导致系统供电停止,尤其是并机冗余系统,是目前最科学、最安全、最可靠的供电方案。那么,是什么原因导致系统输出断电呢?
不难看出,UPS 2#机Kb(315A)输入空开、接UPS系统的交流屏的Kc(400A)配电空开、接交流屏的配电室的Kd(400A)空开共三级相继跳闸,尤其是接交流屏的配电室400A开关跳闸是导致并机冗余系统输出断电的直接原因。下面,根据UPS 1#机当时的事件记录作进一步分析。

a.18:08:22:290 NOTICE:OUTPUT AC UNDER VOLTAGE (出现输出交流欠压问题)其原因是因为所并联的UPS 因逆变器短路造成并联点输出电压下降。
b.18:08:22:356 NOTICE:INPUT AC UNDER VOLTAGE(出现输入交流欠压问题)其原因是因为图1-1 400A开关跳闸引起UPS1、2输入交流电压丢失。
c.18:08:22:356 RECTIFIER OFF(整流器关机)原因是整流器因输入无电而关机
d.18:08:22:374 NOTICE:BYPASS AC UNDER VOLTAGE(旁路电压低)原因是UPS1、2发现旁路电压丢失即输入无市电。
根据UPS的工作原理,可以知道当第一条告警情况发生时,因为短路产生严重超载,UPS1#机后备蓄电池组和逆变电路不可以投入工作,系统将无条件向市电旁路切换,但由于图1-1 400A开关已跳开,旁路掉电,系统无法转到旁路,导致断电。
二、改造方案简介
UPS输入一般分为主路输入和旁路输入(旁路输入具体由分自动旁路和手动旁路),在早期UPS工程中,由于未能充分理解UPS的工作原理与市电输入方式的关系,没有对UPS主输入和自动旁路输入作隔离要求,因而两个输入都是由同一个交流配电屏空开引入,机器内部作连接处理,如图1-1 的供电方式。此接法存在严重的“单点故障”隐患,当设备内部短路,产生严重过载,导致主输入空开跳闸,共用同一空开的自动旁路将同时失效,造成负载断电事故。
技术人员已经及时就此进行了配电整改工作,将UPS内部整流输入与自动旁路输入的跳线拆掉,使UPS由单输入变为双输入,即使UPS的送电线路由一路改为二路,分别通过两只空开向UPS整流和自动旁路送电,见图1-2 所示。从而避免整流输入开关故障跳闸后UPS不能转旁路的问题。
为了规范UPS的配电系统,使其更为合理,同时解决UPS内部短路故障后旁路同时失效问题,从而提高系统的安全性,我们认为应对在网运行的所有大中功率UPS实施输入配电改造,包括单机、双机并机、双机串机。
三、具体改造方案介绍
1、单机UPS系统改造方案
UPS单机系统如图3-1所示,标准配置的UPS只有一路电缆输入,其主路输入和旁路输入是并接在一起的:

改造后的接线如图3-2所示,系统改造需多加一路3相输入电缆,作为主路输入,多加一个输入开关,作为主路输入开关,原三相四线输入电缆留作为旁路输入。可以看出,改造后的接线方式切断了主、旁路输入的直接联系,从而大大提高了系统的可靠性。

2、并机UPS系统改造方案
UPS并机系统如图3-4所示:两台UPS输入均取自市电电网,因此两台UPS均需要进行改造,每台UPS的改造方式与UPS单机系统相同。
系统改造需系统改造需多加两路3相输入电缆,作为两台UPS主路输入,多加两个输入开关,作为两台UPS的主路输入开关,原两路三相四线输入电缆留作为旁路输入。图3-3 并联UPS接线原理图

3、串联热备份UPS系统改造方案
串联热备份UPS系统接线如图3-4所示:主机与从机的主路输入均取自市电电网,但主机旁路输入取自从机的输出。因此主机不需要改造,从机的改造方式与UPS单机系统相同。
系统改造需多加一路3相输入电缆,作为从机主路输入,多加一个输入开关,作为两台UPS的主路输入开关,原三相四线输入电缆及输入开关仍作为旁路输入。考虑到UPS串机系统将来要改造成并机系统,需再多加一组三相输入电缆及输入开关,以做备用。

四、配电改造的实施情况和效果
我公司在各级领导的支持和厂家的密切配合下,所有大中功率UPS配电均按预定方案实施了配电改造。工程涉及UPS系统24个,共计41台UPS,其中25台需进行主、旁路分离改造,另14台为串联热备份系统的主机,本工程提供备用输入回路,作为串机系统改为并机系统后使用。改造所涉及的UPS品牌型号如下:
EXIDE 9305 20K单机系统
EXIDE 9305 20K 1+1串机系统
EXIDE 9305 20K 1+1并机系统
LIEBERT UL33-0300L 1+1并机系统
LIEBERT UL33-0600L 1+1并机系统
雷诺士80KVA单机系统
景龙 20KVA 1+1并机系统
先控20K 1+1并机系统
改造的成功实施,将大大增强网络能源设备的稳定和安全性,对网络配电安全有着深远的意义。
此项工作属于对在网运行设备实施带电改造,安全责任重大,实施难度大,分工界面复杂,而且据了解在业界尚属首次,没有经验可借鉴,艾默生公司承接了此项改造任务后,经过周密勘察、精心设计,出台了科学的实施方案,改造中付出了辛苦劳动,所有改造都是一次成功!
作者:河北移动通信有限责任公司网络部 高健
    免责声明:本文仅代表作者个人观点,与电源在线网无关。其原创性以及文中陈述文字和内容未经本站证实,对本文以及其中全部或者部分内容、文字的真实性、完整性、及时性本站不作任何保证或承诺,请读者仅作参考,并请自行核实相关内容。
      
            本文链接:浅谈大中功率UPS的输入配电改造(图) 
http:www.cps800.com/news/2005-7/200575115316.html
            
            
            
       http:www.cps800.com/news/2005-7/200575115316.html
		
       