摘要:文中给出了一种产生高精度直流电压的实现方法,介绍了基于AD760的D/A转换电路和基于LF411运放的驱动电路。测试表明该电路输出的电压分辨率高,精度好,可作为高精度电压源应用于工控系统。
随着技术的发展,在工业生产过程监控系统中,对测试系统的精度要求越来越高。对于要求具有高精度直流电压输出的测试系统,D/A芯片及其外围电路的选择值得精心考虑。文中给出了一种基于AD760设计的高精度直流电压输出电路,并已成功应用于工控测试系统中。
1 系统设计
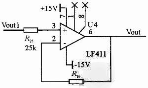
图1所示为设计的高精度直流电压输出电路的框图,它由总线端、数字隔离、D/A转换、电压驱动电路组成,D/A采用18位芯片AD760,电压驱动电路由运放LF411的跟随电路来实现。

图1 系统框图
2 硬件电路设计
2.1 数字隔离
为了防止总线端的数字信号对模拟输出电压产生影响,需要将两边的数字信号进行隔离,本板采用了ADI公司的ADUM1400和ADUM1201高速磁隔进行隔离。
2.2 D/A转换
D/A转换采用ADI公司的AD760芯片,如图2所示是D/A转换电路图。AD760是一款16/18位可选、可进行自校准的DAC,内置片内基准电压源、双缓冲锁存器和输出放大器。它采用ADI公司BiMOSII工艺制造,可以在同一芯片上实现高精度双极性线性电路与低功耗CMOS逻辑功能。只需发送脉冲使CAL引脚变为低电平,便会启动自校准功能。CALOK引脚会显示何时顺利完成校准。校准期间,可以利用输出多路复用器(MUXOUT)将输出发送至输出范围底部。数据可以采用标准二进制、串行数据或双8位字节格式载入AD760.在串行模式下,可以使用16位或18位数据;串行模式输入格式通过引脚选择,可以是MSB优先或LSB优先。通过具有双重功能的三个数字输入引脚(引脚12、13和14)来实现。在字节模式下,用户同样可以定义优先加载高字节还是低字节数据。双缓冲锁存结构不仅可以消除数据偏斜误差,还能够在多DAC系统中同时更新各DAC.当CLR选通时,可以利用异步CLR功能将输出清零至负满量程或中量程,具体取决于引脚17的状态。

图2 D/A转换电路
AD760采用28引脚、600 mil cerdip封装,AQ级的额定温度范围为-40~+85℃。
- 1
 - 2
 - 总2页
 
来源:C114
http:www.cps800.com/news/28493.htm
		
       

