本文分析并提出了一种方案主要针对LED 路灯的高效率电源驱动器的AC/DC 部分。电路采用了零电压开通技术降低了一次侧Mos 管的开关损耗。本文还提出了一种可用于高输出电压情况下的混合型同步整流方案并对其工作原理和工作过程进行了较为详细的分析,并就如何减小变压器的损耗提出了一些看法。最后,本文介绍了设计样机进行的实验结果。
1. 引言
近年来,随着大功率白光LED 技术的发展,照明产业开始面临新的机遇与挑战。LED 越来越多地被应用于通用照明领域,道路照明则是其中一个极具潜力的重要应用领域。由于LED 本身所特有的长寿命、潜在的高光效的特征,设计一款能够充分发挥此特征的高效率恒流驱动电源则显得尤为重要。
2. 高效率LED 电源驱动器的设计与分析
2.1 设计概述
在本次针对LED 路灯进行电源设计时,需充分考虑到此应用的特点与要求:
1)单灯最大功率不超过100W。
2)为提高路灯的可用性,灯具中LED 分为若干组,每组中LED 串联驱动,组间分别驱动,单组损坏不影响其它组LED。
3)为提高安全性,输入与输出之间需要电气隔离。
4)电源需具有较高的功率因数。
为满足以上要求,本设计采取ACPDC 恒压电源与多路DCPDC 恒流驱动级联的方式驱动多路LED。
ACPDC 部分采用反激式拓扑,输出52V , 100W。
DCPDC 部分采用国半的LED 恒流驱动芯片LM3404。
本文仅介绍AC/DC 部分的设计。
反激式电源的损耗主要在于3 个地方: 1)一次侧Mos 管的损耗,包括导通损耗和开关损耗。2)二次侧整流二极管的损耗。3)高频变压器的损耗,主要包括铁损、铜损及漏感造成的损耗。为提高电源的效率,主要需从这三个方面采取措施,减小损耗。
2.2控制方式及零电压开通设计
本设计中,采用ST 公司的L6562 作为主控芯片,L6562 是一款经济型功率因数校正控制器。反激式电源工作在不连续导电模式(DCM), 通过前端EMI 滤波器自动实现高的功率因数。
为减小初级Mos 管损耗,我们选用ST 公司的Mos 管STP11NM60 , 导通电阻0145 Ω , 可以有效减少导通损耗,并采用准谐振技术,实现对Mos 管的零电压开通,可以最大限度地减小开关损耗。
自从20 世纪70 年代以来,软开关得到了充分发展,准谐振技术也有了成熟的应用。L6562 本身就具有零电压开通检测管脚,可以较为方便地实现当Mos 管漏极电压降到谷底时将其开通。
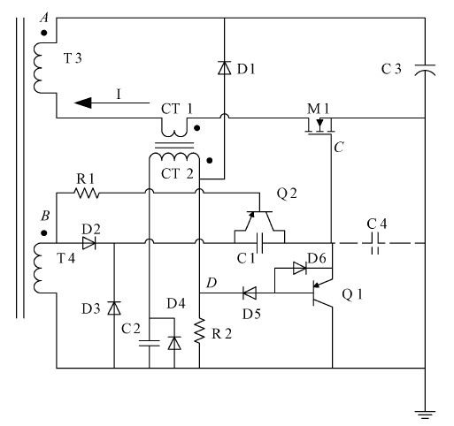
具体设计如图1 所示,其中,T1 为变压器的一次侧绕组,T2 为辅助绕组。1)t0 ~ t1 时段,Mos 管M1 开通,整流输出电压Uc 流经变压器T1 绕组,电流I1 上升。2)t1 时刻,Mos 管关断,Mos 管电压U2上升,变压器初级绕组电流I1 换流到次级绕组电流I2。3)t1 ~ t2 时段,变压器开始向副边输送能量,副边的充电电流I2 随时间线性减小。4)t2 时刻,I2降为0 , 储存于变压器中的能量释放完毕。5)t2 ~t3 时段,变压器T1 绕组电感L1 , 漏感L2 与Mos 管漏极对地电容C1 开始谐振,谐振频率。T2 作为辅助绕组之一,其一端电压U1 随U2 降低,当低于ZCD 的阈值下限116V , 即位于图2 所示A 点时,L6562 再次开通M1 , 下一周期开始。
- 1
- 2
- 3
- 4
- 5
- 6
- 总6页
来源:c114
http:www.cps800.com/news/28503.htm







