电源产品分类 UPS电源 | EPS电源 | 稳压电源 | 变频电源 | 净化电源 | 特种电源 | 发电机组 | 开关电源 | 逆变电源 | 模块电源 | LED电源 | (蓄)电池 | 其他电源产品
电源应用分类 通信电源 | 电力电源 | 车载电源 | 军工电源 | 航天电源 | 工控电源 | PC电源 | 电镀电源 | 焊接电源 | 加热电源 | 医疗电源 | 家电电源 | 励磁电源 | 便携电源
                             充电机(器) | 其他应用分类
电源配套分类 功率器件 | 防雷浪涌 | 测试仪器 | 电磁兼容 | 电源IC | 电池检测 | 变压器 | 轴流风机 | 电子元件 | 散热器 | PCB/辅助材料 | 连接/传感器 | 其他电源配套
新能源分类      太阳能(光伏发电) | 风能发电 | 潮汐发电 | 水利发电 | 燃料电池 | 其它新能源
您的位置:电源在线首页>>产品中心>>电源配套分类>>传感器>>霍尔电流传感器产品详情

霍尔电流传感器

无图片
公司名称:深圳市安贝尔科技有限公司
所属类别:电源配套分类>>传感器
电子信箱:lyh@anbel-china.com
联系电话:0755-26543618-807
联 系 人:刘叶华
更新时间:2008-4-2 11:03:19
 
产品详情
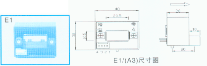
型号规格: CSE1-系列
额定电流:50A 100A 200A 30A 400A 500A 600A
输出:±4V or ±5V
原边穿孔径:20×10
外型尺寸:40×30×14.3
 电器特性:
 规格型号  CSE1-50A CSE1-100A CSE1-200A CSE1-400A CSE1-600A 
 额定电流 50A 100A 200A 400A 600A 
 线性范围 1.2倍额定电流 
 输出电压 4V、5V 
 输出精度 ±0.5%、±1.0% 
 失调电压 <±30mV 
 磁滞误差 <±20mV 
 温度漂移 0.05%/℃ 
 反应时间 <10μS di/dt=50A/μS 
 供电电源 ±12V、±15V (±5%) 
 消耗电流 25mA 
 绝缘电压 3KV AC 50Hz 1分钟 
 使用温度 -10℃ ~ +80℃ 
 贮存温度 -25℃ ~ +85℃ 
 接线方法:
 1、+15V 2、-15V
 3、Vout 4、0V
  
 应用特性:
 用于测量直流、交流及脉冲电流,原、副边之间高度绝缘。外壳符合UL94-V0标准。母排安装或盘 式安装均可。体积小、重量轻、耗电省,穿孔结构,无插入损耗。
 应用领域:
 变频器、电源装置、通信电源、UPS电源、电焊机
关于该条产品信息,我有如下留言:
请您注意:
·遵守中华人民共和国的各项有关法律法规
·承担一切因您的行为而导致的法律责任
·本网留言板管理人员有权删除其管辖的留言内容
·您在本网的留言内容,本网有权在网站内转载或引用
·参与本留言即表明您已经阅读并接受上述条款
用户名: 密码: 匿名留言   免费注册电源在线网会员,获取更多服务!立刻注册
免责声明:以上所展示的信息由会员自行提供,内容的真实性、准确性和合法性由发布会员负责。电源在线对此不承担任何保证责任。
企业商柜